Photovoltaikanlagen mit Speicher sind heutzutage gefragter denn je. Denn Sie möchten Ihren eigenen Strom produzieren, aber auch flexibel bleiben. Doch viele fragen sich: Wie sieht eigentlich ein Übersichtsschaltplan PV Anlage mit Speicher PDF aus? Und warum ist er unverzichtbar? In diesem Beitrag liefern wir Ihnen klare Antworten. Außerdem zeigen wir Ihnen ein einfaches HTML-Diagramm als Beispiel.
Inhaltsverzeichnis
Warum braucht man ein Übersichtsschaltplan PV Anlage mit Speicher PDF?
Ein Übersichtsschaltplan hilft, weil er die gesamte Anlage auf einen Blick verständlich macht. Er zeigt, wie die PV-Module, der Wechselrichter, der Batteriespeicher und der Hausanschluss zusammenarbeiten. Zudem ist er nötig, weil Netzbetreiber und Behörden häufig einen solchen Plan verlangen.
Überdies erleichtert ein Übersichtsschaltplan die Wartung und den Service. Sie oder Ihr Elektriker erkennen Fehlerquellen schneller. Und Sie vermeiden Missverständnisse, weil alles klar dokumentiert ist.
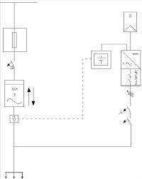
Was enthält ein Übersichtsschaltplan PV Anlage mit Speicher PDF?
Ein Übersichtsschaltplan zeigt immer die wichtigsten Komponenten und deren Verbindungen. Dazu zählen die PV-Module, der Wechselrichter und der Speicher. Auch der Netzanschluss und ein Einspeisezähler sind abgebildet. Denn nur so wird die Funktion der Anlage vollständig dargestellt.
Dabei werden alle Leitungen, Sicherungen und Schalter eingezeichnet. Das hilft, weil der Aufbau der Anlage verständlich wird. Und es zeigt, dass die Anlage sicher und normgerecht geplant ist.
Gibt es den Übersichtsschaltplan auch als PDF?
Ja, selbstverständlich gibt es Übersichtsschaltpläne meist als PDF. Denn so können Sie ihn leicht an den Netzbetreiber oder Behörden senden. Zudem lässt sich ein PDF einfach ausdrucken und archivieren.
Viele Planer stellen Ihnen den Schaltplan direkt nach der Planung zur Verfügung. Falls Sie bereits eine Anlage besitzen, können Sie auch den Elektriker um ein PDF bitten.

Beispiel: Verbindungen in der Übersichtsschaltplan PV Anlage mit Speicher PDF
Hier finden Sie ein vereinfachtes Beispiel eines Übersichtsschaltplans in HTML-Tabellenform:
Komponente |
Verbindung |
|---|---|
| PV-Module | mit Wechselrichter |
| Wechselrichter | mit Batteriespeicher und Netzanschluss |
| Batteriespeicher | mit Wechselrichter und Hausnetz |
| Netzanschluss | mit Einspeisezähler |
| Einspeisezähler | mit Hausnetz |
Dieses einfache Diagramm stellt die Kernverbindungen dar. Natürlich sind professionelle Übersichtsschaltpläne deutlich detaillierter. Sie enthalten auch alle Sicherungen, Schalter und Kabelstärken.
Wie erstelle ich einen Übersichtsschaltplan für eine PV Anlage mit Speicher?
Zunächst analysiert der Fachplaner Ihre geplante PV-Anlage. Dann wird entschieden, wie die Komponenten miteinander verbunden werden. Schließlich wird der Schaltplan mit einer speziellen Software gezeichnet.
Hierbei werden Normen und Vorgaben berücksichtigt. Und der Plan wird so erstellt, dass auch ein Elektriker oder Prüfer alles versteht. Denn das Ziel ist es, eine sichere und normgerechte Anlage zu dokumentieren.

Wer erstellt den Übersichtsschaltplan?
Meist übernimmt das der Solarteur oder Elektriker, der Ihre Anlage plant. Manche Hersteller bieten auch Vorlagen an, die angepasst werden können. Und es gibt Fachplaner, die sich auf solche Schaltpläne spezialisiert haben.
Wichtig ist, dass der Plan von einer fachkundigen Person erstellt wird. Denn Fehler im Schaltplan können später zu Problemen führen.
Fazit: Übersichtsschaltplan PV Anlage mit Speicher PDF als Grundlage für Ihre sichere PV-Anlage
Ein Übersichtsschaltplan ist wichtig, weil er Ihre Anlage sicher und nachvollziehbar macht. Er hilft bei der Anmeldung, bei der Wartung und bei künftigen Erweiterungen. Deshalb sollten Sie auf einen vollständigen und normgerechten Plan nicht verzichten.
FAQ – Häufig gestellte Fragen zu: “Übersichtsschaltplan PV Anlage mit Speicher PDF”
Wie hilft ein Übersichtsschaltplan bei der Planung meiner PV-Anlage mit Speicher?
Er zeigt klar, wie alle Komponenten zusammenarbeiten und wo sie installiert werden. So vermeiden Sie Fehler und sparen Zeit.
Warum ist ein Übersichtsschaltplan im PDF-Format besonders praktisch?
Denn Sie können ihn einfach teilen und überall öffnen. Obendrein lässt er sich leicht ausdrucken.
Kann ich den Übersichtsschaltplan selbst anpassen?
Ja, denn mit dem richtigen Programm bearbeiten Sie das PDF direkt. Oder Sie fügen Notizen hinzu und passen Details an.
Brauche ich für den Übersichtsschaltplan einen Elektriker?
Oft ja, weil ein Fachmann die Sicherheit prüft. Des Weiteren sorgt er dafür, dass alle Vorschriften eingehalten werden.
Welche Informationen enthält der Übersichtsschaltplan?
Er zeigt Module, Wechselrichter, Speicher und Leitungen. Außerdem sind Sicherungen und Anschlüsse eingezeichnet.
Ist der Übersichtsschaltplan Pflicht bei der Anmeldung der PV-Anlage?
Meist fordern Netzbetreiber diesen Plan. Denn er erleichtert die Prüfung und Freigabe.
Kann ich den Übersichtsschaltplan auch digital nutzen?
Ja, Sie speichern ihn auf dem Tablet oder Smartphone. So haben Sie ihn bei der Installation immer dabei.
Wie oft sollte ich den Übersichtsschaltplan aktualisieren?
Am besten immer dann, wenn sich die Anlage ändert. Denn nur ein aktueller Plan hilft bei Wartung und Reparatur.
Wo finde ich einen Übersichtsschaltplan als PDF?
Viele Hersteller stellen diesen kostenlos bereit. Zudem finden Sie Musterpläne bei Fachbetrieben oder auf deren Webseiten.
Unterstützt mich AceFlex GmbH beim Übersichtsschaltplan?
Ja, denn wir erstellen Pläne nach Ihren Anforderungen. On top beraten wir Sie zu allen Details der Installation.
Kann ich den Übersichtsschaltplan auch für eine Erweiterung der Anlage nutzen?
Ja, denn er zeigt die vorhandene Struktur. So planen Sie Erweiterungen einfacher und sicherer.
Was kostet die Erstellung eines Übersichtsschaltplans?
Das hängt vom Aufwand ab und vom Anbieter. Doch oft ist der Plan bei der Planung oder Montage inklusive.
Gibt es Vorlagen für Übersichtsschaltpläne?
Ja, im Internet finden Sie zahlreiche Vorlagen. Auch bieten viele Fachbetriebe individuelle Muster an.
Warum ist ein Übersichtsschaltplan für den Elektriker wichtig?
Weil er sofort alle Anschlüsse sieht und gezielt arbeiten kann. Das spart Zeit und verhindert Fehler.
Kann ich mit dem Übersichtsschaltplan Fehler bei der Installation vermeiden?
Ja, er zeigt alle Verbindungen klar und übersichtlich. So bauen Sie die Anlage korrekt auf.





